










![]()


SONYの旧市民無線トランシーバーを新技適化にするホームページ


![]() ![]() ![]() ![]() ![]() |

































| 特定無線設備の種別 | 型式又は名称 | 番号 | 年月日 | 規定 | 台数 |
| 第2条第3号に規定する特定無線設備 | JR3-707 | 001OAB3000730 | 2020-11-02 | 新規定 | 1台 |
| 第2条第3号に規定する特定無線設備 | JR3-650PLL | 001OAB3000840〜001OAB3000841 | 2020-12-28 | 新規定 | 2台 |
| 第2条第3号に規定する特定無線設備 | JR3-700PLL | 001OAB3000925〜001OAB3000926 | 2021-03-19 | 新規定 | 2台 |
| 第2条第3号に規定する特定無線設備 | JR3-680 | 001OAB3001024〜001OAB3001025 | 2021-04-30 | 新規定 | 2台 |
| 第2条第3号に規定する特定無線設備 | JR3-680 | 001OAB3001152〜001OAB3001154 | 2021-06-18 | 新規定 | 3台 |
| 第2条第3号に規定する特定無線設備 | JR3-680 | 001OAB3001199〜001OAB3001201 | 2021-09-10 | 新規定 | 3台 |
| 第2条第3号に規定する特定無線設備 | JR3-680P | 001OAB3001301〜001OAB3001302 | 2021-12-10 | 新規定 | 2台 |
| 第2条第3号に規定する特定無線設備 | JR3-580 | 001OAB3001409〜001OAB3001410 | 2022-05-27 | 新規定 | 2台 |
| 第2条第3号に規定する特定無線設備 | JR3-27R | 001OAB3001500〜001OAB3001502 | 2023-02-20 | 新規定 | 3台 |
| 第2条第3号に規定する特定無線設備 | JR3-700PLL | 001OAB3001503〜001OAB3001505 | 2023-04-20 | 新規定 | 3台 |
| 第2条第3号に規定する特定無線設備 | JR3-52R | 001OAB3001562 | 2023-05-10 | 新規定 | 1台 |
| 第2条第3号に規定する特定無線設備 | JR3-106R | 001OAB3001579〜001OAB3001580 | 2023-07-12 | 新規定 | 2台 |
| 第2条第3号に規定する特定無線設備 | JR3-770 | 001OAB3001567 | 2023-07-20 | 新規定 | 1台 |
| 第2条第3号に規定する特定無線設備 | JR3-DE69 | 001OAB3001588 | 2023-08-10 | 新規定 | 1台 |
| 第2条第3号に規定する特定無線設備 | JR3-IA52R | 001OAB3001616 | 2023-09-21 | 新規定 | 1台 |
| 第2条第3号に規定する特定無線設備 | JR3-747SX | 001OAB3001617 | 2023-09-21 | 新規定 | 1台 |
| 第2条第3号に規定する特定無線設備 | JR3-NH781R | 001OAB3001735 | 2024-01-16 | 新規定 | 1台 |
| 第2条第3号に規定する特定無線設備 | JR3-TK113R | 001OAB3001736 | 2024-03-19 | 新規定 | 1台 |
| 第2条第3号に規定する特定無線設備 | CHIBA-KS165 | 001OAB3001741 | 2025-04-02 | 新規定 | 1台 |
| 第2条第3号に規定する特定無線設備 | 27EMBLEM | 001OAB3001742 | 2025-04-02 | 新規定 | 1台 |
| 型式又は名称 | タイプ | 構成 | マイク | アンテナタイプ |
| JR3-707 | ポータブル | ICB-707 基本ベース | 外部PTTマイク | 既存折りたたみホイップ |
| JR3-650PLL | ハンディ | ICB-650+PLL | 内蔵マイク | 既存折りたたみホイップ |
| JR3-680 | ハンディ | ICB-680 基本ベース | 内蔵マイク | 既存折りたたみホイップ |
| JR3-700PLL | ポータブル | ICB-700筐体+ICB-650基板+PLL | 外部PTTマイク | ICB-650折りたたみホイップ |
| JR3-680P | ポータブル | ICB-680 基本ベース | 外部PTTマイク | ICB-650折りたたみホイップ |
| JR3-580 | ポータブル | RJ-580 基本ベース | 外部PTTマイク | 既存折りたたみホイップ |
| JR3-27R | ポータブル | RJX-201筐体+ICB-650基板+PLL | 外部PTTマイク | ICB-650折りたたみホイップ |
| JR3-52R | ポータブル | RJX-610筐体+ICB-650基板+PLL | 外部PTTマイク | ロングアンテナ折りたたみホイップ |
| JR3-106R | ポータブル | RJX-601筐体+ICB-650基板+PLL | 外部PTTマイク | ICB-650折りたたみホイップ |
| JR3-770 | ポータブル | ICB-770 基本ベース | 外部PTTマイク | 既存折りたたみホイップ |
| JR3-DE69 | ポータブル | RJX-610筐体+ICB-650基板+PLL | 外部PTTマイク | ICB-700A折りたたみホイップ |
| JR3-IA52R | ポータブル | RJX-715筐体+ICB-650基板+PLL | 外部PTTマイク | センターローディング折りたたみホイップ |
| JR3-747SX | ポータブル | FT-747SX筐体+ICB-650基板+PLL | 外部PTTマイク | ICB-650折りたたみホイップ |
| JR3-NH781R | ポータブル | RJX-610筐体+ICB-650基板+PLL | 外部PTTマイク | ICB-700A折りたたみホイップ |
| JR3-TK113R | ポータブル | RJX-610筐体+ICB-650基板+PLL | 外部PTTマイク | ICB-700A折りたたみホイップ |
| CHIBA-KS165 | ポータブル | RJX-610筐体+ICB-650基板+PLL | 外部PTTマイク | ICB-700A折りたたみホイップ |
| 27EMBLEM | ポータブル | ICB-87H(Rタイプ基板) | 外部PTTマイク | ICB-700A折りたたみホイップ |
| 製作 (未技適) | ||||
| 型式又は名称 | タイプ | 構成 | マイク | アンテナタイプ |
| JR3−733P | ポータブル | ICB-700筐体+ICB-33H基板+PLL | 外部PTTマイク | 折りたたみホイップ |
| JR3−650P | ポータブル | ICB-650+PLL | 外部PTTマイク | 折りたたみホイップ |
| JR3−660PLL | ハンディ | ICB-660+PLL | 内蔵マイク | 内蔵ホイップ |
| JR3−680PLL | ハンディ | ICB-680 +PLL | 内蔵マイク | 内蔵ホイップ |





JJR3-580 技適化








デザイン DE:JH2XEM/ギフAA365米澤様




JR3-680 JR3-680P

JR3-600PLL JR3-650PLL

JR3-650PLL/P

元々受信感度が悪いので新技適を受けるまでにはいかないが、スペースが無いハンディ機にPLL仕様が可能か確かめてみた。



オリジナルの感度が悪いので新技適を行うには力不足である。






































27MHz新技適 20.6.6



2021.11.24

2023.5.10
スペアナ追加
![]()
スペアナはスペックが低いためにSDRに細かい箇所を分担

技術基準適合証明及び工事設計認証の申し込み
http://www.kata-giri.co.jp/jg2tsl/CB/index.html

プログラムで お世話に成っているJA2GOP局OMのブログです

ここにフリーライセンス無線の新技適に利用可能なソフトを作られています!
感謝致します。



左が cb_7seg_vfo 右が cb_vfo
お勧めはリットがある左かなー
2020..07.27

https://www.rca-j.org/giteki/ab182/h17giteki7701.htm




R1 C1無し
http://sonoblog886.blog108.fc2.com/blog-date-201211.html
マイク入力 チョークコイル
ICB-680 47uH
56uH 在庫あり
DC入力 10uH
ファイナル電源 10uH
ローパスフィルター 10回巻き×2個
120PF×1個

https://www.nippon.to/kitalou/kailo/kailo.htm

http://toroids.info/T37-6.php



![]()


水晶時の650の副次














リンク http://jg3adq.a.la9.jp/micamp.htm
非常に勉強になるサイトです。


6mAMロールトランシーバーでお世話になりました。
FCZさんに直接お会いして6mAMロールトランシーバ-回路を見て頂き頒布の許可を得てました。







http://yuu-raku-sou.skr.jp/partsset/partssetfile/50MHzqrppam-tx/50MHqrppam-tx.html

https://www.kata-giri.co.jp/jg2tsl/CB/index.html
・帯域外領域不要発射の強度:1mW
→26.968MHzで計算すると帯域外領域=26.953MHz〜26.965MHz,26.971MHz〜26.983MHz
1mW = 0dBmW
500mW= 26.99dBmW
つまりアッテネータ-30dB付けるので-3.01dBmW以下 搬送波ピークから
・スプリアス領域不要輻射の強度:50μW
→26.968MHzで計算するとスプリアス領域=10kHz〜26.953MHz,26.983MHz〜1GHz
50μW→ -13.01dBmWつまりアッテネータ-30dB付けるので-43.01dBmW以下 搬送波ピークから
・空中線電力許容偏差:+20%、-50%
→500mWだと、250mW〜600mW
・占有周波数帯幅の許容値:6kHz以内
→26.968MHzで計算すると26.965MHz〜26.971MHz

・受信時の不要輻射 -54dBm以下
→4nW
![]()










https://www.jarl.org/Japanese/7_Technical/lib1/fcz.htm

ICB-600 パターンカット500mW



PLL TX 6P RX 6P
tinySA
http://athome.kaashoek.com/tinySA/DFU/





リンク 先 http://ja1vbn.la.coocan.jp/radio/etc/S-unit.html

Sメータ 0 の時は-14dBμVで設定


ICB-87R CFD455

ICB-87R CFD455








2SK241





![]()

https://www.youtube.com/watch?v=s1S_Pb3Tsl0 より






***************************************************************************************************************************************

サーバー eqso.mydns.jp ポート10024 ルーム JAPAN


このソフトeQSOソフトダウンロード
バージョンは2.5なので現状のサーバーに最適です
http://osakajr3kqf.stars.ne.jp/newpage11cb.htm


COMポート パソコンによって DTRも変更など
ソフトです、WIN 10で使用可能です ダウンロードgateway_setup.exe
ウイルススキャンされない様にフォルダーごと除外してください。



2.5バージョンダウンロード OSによってセキュリティソフトで消されるので注意が必要です。
eQSOについて古い記事ですが読んで見て下さい。
ライセンスフリーラジオで遊ぼう! アクティビティCB おおさかJR3
ソフトのダウンロードもあります。
(間違っていたらすみません)
現在のサーバー eqso.mydns.jp ポート10024 JAPAN

eQSOサーバー管理者 ふくおかNX47


http://jg3adq.a.la9.jp/

eQSO Gate Way 希望局にCALL発給i中です。
JP301〜先着順番です宜しくお願いします。
おおさかJR3
2026/03/11 現在 台帳
| JP001 | ふくおか8774 |
| JP004 | かしわFX886 |
| JP005 | トウキョウAA909 |
| JP017 | トウキョウAK37 |
| JP018 | おおさかJR3 |
| JP032 | カナガワAC288 |
| JP034 | カナガワOT207 |
| JP047 | ふくおかNX47 |
| JP049 | キンキNT63 |
| JP067 | ふくおかNS45 |
| JP074 | えひめBX58 |
| JP080 | よこはまBF35 |
| JP091 | とっとりU42 |
| JP097 | まつどRX78 |
| JP104 | かながわZ489 |
| JP123 | ヤマグチAA123 |
| JP124 | マエバシHS75 |
| JP127 | ながおかHR420 |
| JP128 | ヤマグチAN77 |
| JP143 | ミヤギCW50 |
| JP148 | トクシマYF99 |
| JP149 | きょうとKP127 |
| JP153 | ぐんま1328 |
| JP161 | とうきょうAY43 |
| JP222 | やまぐちBA18 |
| JP237 | シマネMS228 |
| JP247 | 久留米レピーター |
| JP270 | マツモトAB98 |
| JP301 | サイタマBX71 |
| JP302 | ながさきNS2216 |
| JP303 | とやまMM64 |
| JP304 | とちぎTH77 |
| JP305 | なごやTA927 |
| JP306 | しがST114 |
| JP307 | おおいたTN24 |
| JP308 | ふくおかKZ128 |
| JP309 | くしろH74 |
| JP310 | いばらぎW24 |
| JP311 | キンキYU727 |
| JP312 | つくばCB400 |
| JP313 | はちのへKH38 |
| JP314 | ヤマグチSV221 |
| JP315 | ヤマグチSH33 |
| JP316 | ヤマグチST702 |
| JP317 | とうきょうKC603 |
| JP318 | トウキョウAA373 |
| JP319 | おおいたYY70 |
| JP320 | カナガワHL320 |
| JP321 | ヒロシマMT303 |
| JP322 | きょうとKK81 |
| JP323 | むさしのBD65 |
| JP324 | ふくおかUZ42 |
| JP325 | いちはらST412 |
| JP326 | いばらぎBB911 |
| JP327 | イワテB73 |
| JP328 | くらしきMH718 |
| JP329 | フクオカYM58 |
| JP330 | イワテC9 |
| JP331 | ひがしおおさかAH86 |
| JP332 | きたかたNO710 |
| JP333 | かごしまGB509 |
| JP334 | みしまYU618 |
| JP335 | ながのTMK22 |
| JP336 | ながのCZ57 |
| JP337 | あおもりSK100 |
| JP338 | さっぽろKF312 |
| JP339 | ヨコハマRL12 |
| JP340 | なごや YS3536 |
| JP341 | とっとりYS475 |
| JP342 | かながわZS401 |
| JP343 | おおいたHK4401 |
| JP344 | おおいたMW870 |
| JP345 | いなざわSM492 |
| JP346 | なごやYA6310 |
| JP347 | にいはまSK725 |
| JP348 | こうべTK220 |
| JP349 | あいちMK84 |
| JP350 | サガHO17 |
| JP351 | キンキMG452 |
| JP352 | きりしまCL72 |
| JP353 | キョウトAA870 |
| JP354 | ふくしまFD55 |
| JP355 | ひろしまBW48 |
| JP356 | オカヤマHA36 |
| JP357 | ナガサキWA2 |
| JP358 | やまがたTK16 |
| JP359 | やまぐちRK609 |
| JP360 | ながのJP32 |
| JP361 | とやまSW320 |
| JP362 | はままつYA101 |
| JP363 | おおさかJP53 |
| JP364 | ねりまKT22 |
| JP365 | おおさかNI620 |
| JP366 | やまが49 |
| JP367 | チバKS165 |
| JP368 | とうきょうKM70 |
| JP369 | とやまN230 |
| JP370 | ヤマグチTM310 |
| JP371 | ふくおかSV35 |
| JP372 | ふくおかHS622 |
| JP373 | フクオカJF26 |
| JP374 | ふくおかRN267 |
| JP375 | ふくおかYY613 |
| JP390 | サガHI39 |
| JP405 | きょうとJP405 |
| JP429 | イバラキMC429 |
追記有りましたら御連絡下さい。
おおさかJR3
https://twitter.com/jr3kqf





パソコンでzelloのPTTを作る方法です
10キーボードの基板を抜き取って
利用します。


特小トランシーバー




古い内容で整理していません。
OFF 自動接続手順解除
ON1 DJ-P10R,DJ-P11Rを中継とするとき
どちらかを選択

思い出 
カナガワOT207局

eQSOで、お会いして
eQSOでお別れした
カナガワOT207局
もう一度声が聴きたいです。

http://www.fabglib.org/
2021年12月31日21:00 〜 2022年1月1日15:00
2022年3月21日 9:00〜15:00
2022年5月3日21:00 〜 5月4日15:00
2022年7月30日21:00 〜 7月31日15:00
2022年9月17日21:00 〜 9月18日15:00
全国各地一斉オンエアデイ(毎年11月文化の日)
2024年11月3日9:00〜15:00



Tiny Basic Fan

JK1BMK局 青木さんの無線機です。
凄いですね。
![]()
50MHz AM QRP トランシーバー

1 6m AM ROLL CALL TRANSCEIVER の概要
2 製作手順1
3 製作手順2
各局の無線機製作

動画 EsQSO JR8DAG 200mW - JR3KQF 50mW QSO
TNX JR8DAG
50MHzAM 超再生受信機
50MHz DSB QRP トランシーバー

6mAM ROLL CALL TRANSCEIVER 11m-R 製作記録
万能LCDフロントパネル
基板ピン・ランド工法
キャンドゥから販売されている電池チェッカー利用のSインジケーター
ロールコールトランシーバーでの交信記録
2016年6月18日 17:24 50.600MHz JD1BMG/JD1 小笠原諸島 母島 HIS53 MY54
当局 50mW 10mH デルタ―ループアンテナ
実験
実験 1
アイデア 1
デジタル簡易無線機の電源を作ろう!!
製作ヒント アルミアンカ
7MHzRX
エアーバンドRX
Sメーター 1
ストローボビン・コイル 1

PUSH PIN COIL 1

ディップメーター

iPhone iSDR & CQham radio 付録SDR

Frequency Counter

2012年8月16日 22:48:38
6石トランジスタラジオ

ラジオの製作
2012年9月9日 22:51:09
![]()
フィルター特性測定

簡易スペアナに使えるかワンセグ

パッシブ型AFフィルタ-実験

ノイズ・キャンセラ( HAM Journal No.96 JA1DI局方式)
50MHz用

コンデンサー周波数特性確認

その他
運用 1 2 3

QRP表紙

50.095MHz
「6mAM 10mW HAYABUSA」
AM運用情報
掲示板に運用中の書き込みを願います
![]()
J-クラスタ
6mAMリアルタイム情報
50MHzリアルタイム情報
6mAMの情報ならここを見て下さい。
![]()




中華DDSの実験 FRMS互換ボードの製作
現在一番欲しい物です
![]()

AVRをベーシックで動かそう
パルス・ジェネレーター

作者: O-Family
ベーシックでこんな事が出来るんですね、
CW解読器&練習などのソフトが作れそうです。
![]()
http://www.ne.jp/asahi/shared/o-family/ElecRoom/ElecMAIN.htm
![]()
無料ソフト BASCOM-AVR Demo version.
資料
T−ONE

このホームページは全て転記禁止です、文章、図面及び写真は著作権が有ります。

DESIGN JI1KZN
Activity 28MHz 50MHz JR3KQ & 押しピン・ランド工法 & QRP COMMUNICATION 2016

27EMBLEM
ここからメモです
https://weboo.dev/posts/uv-k5-firmware-rx-jp/




http://www.hamskey.com/2024/04/introduction-to-uv-k5-hf-05-fullband.html
https://github.com/diqezit/ats20_ats_ex
https://github.com/goshante/ats20_ats_ex/blob/master/README.md#how-to-make-the-battery-charge-level-display


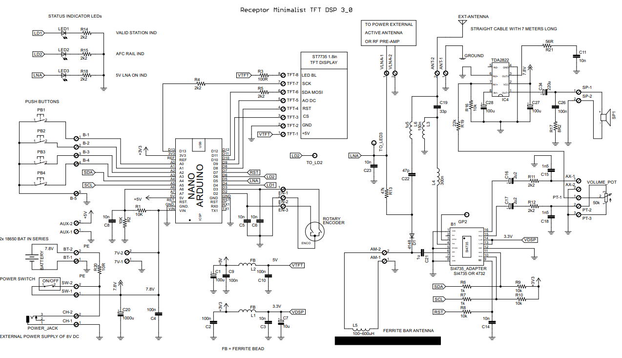
http://jr1pwz.my.coocan.jp/ham/DSP_Radios/dsp_radio-1.html









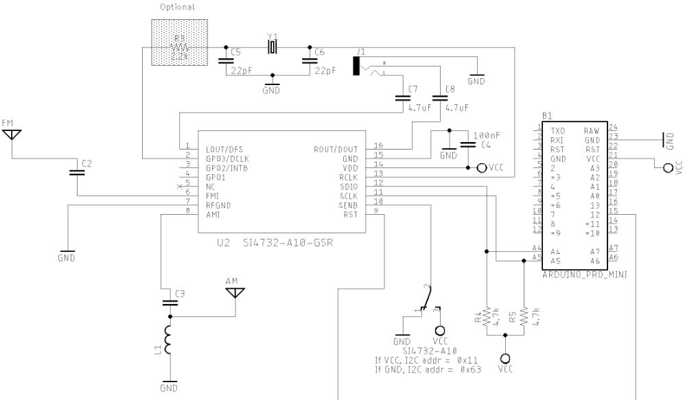
https://pu2clr.github.io/SI4735/#about-the-si4732-and-si4735

https://ht-deko.com/




https://github.com/diqezit/ats20_ats_ex
https://shourin-bou.sakura.ne.jp/tanpa_japanese.htm#kbs

https://github.com/Tamakichi/ttbasic_arduino_stm32
https://ichigojam.net/IchigoJam.html
https://shourin-bou.sakura.ne.jp/tanpa_japanese.htm#voi




